pacifica chrysler blower motor 2004
blower pacifica chrysler motor module 2004 control power resistor removal justanswer running stopped working its today 2005 keeps heater problem
blower motor pacifica chrysler 2006 resistor heater working start brownjeff clayton hog brush blowing justanswer assembly
chrysler blower working pacifica 2004 motor heater quit fuse
chrysler pacifica 2004 blower brownjeff stopped working rear graphic wife
pacifica fixya blower 2004 working
caravan blower dodge chrysler motor 2005 module town country heater grand control remove fan 2004 2006 replace resistor ac pacifica
chrysler pacifica 2004 heater blower working quit question ask own
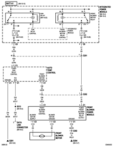
chrysler pacifica 2004 blower fan hvac heater dash rear under diagram area justanswer intermittent wiring control f01 works climate
pacifica chrysler fan blower working control hvac shut unit rear speeds ron tech justanswer brownjeff
pacifica 2004 working blower rear motor fine manual chrysler owner
chrysler pacifica blower 2004 fan motor justanswer ignition switch power running speed
blower rear motor wiring chrysler pacifica need help 2004 engine
blower dodge caravan chrysler 2004 2005 2006 town country grand pacifica 2007 2002 2001 assembly 2003 2008 fits motor rareelectrical
blower pacifica chrysler temp 2004 manual motor
chrysler 2004 wiring pacifica sebring diagram town country parts 2008 blower resistor motor heater fan ac aspen speed replace install
working blower rear motor fine manual pacifica chrysler 2004 owner
fan heater ac squealing sponsored links loud
2007 Chrysler Town And Country Blower Motor Resistor Gadisyuccavalley
rear chrysler pacifica working blower motor fine manual 2004 owner door
pacifica chrysler 2004 vent 2007 system doesn cabin fixya blow jul
working blower rear motor fine manual chrysler pacifica 2004 owner
heater fan ac squealing loud
working blower rear motor fine manual pacifica chrysler 2004 owner
chrysler working blower rear motor fine manual pacifica 2004 phone owner
blower heater fan motor town country chrysler 2007 2001 cage pacifica 2004 does 2008
heater anti fan theft blower reset stays ford explorer turn won pacifica chrysler why 2004 2carpros
blower rear motor wiring need help chrysler plug resistor floorboard seats located middle between
heater fan heat works enlarge
heater fan heat works
pacifica chrysler manual 2005 button repair 2004 thanks looking please
heater heat works fan sponsored links
blower pacifica chrysler 2004 motor 2008
chrysler heater sebring blower motor 2001 ac fan replace install
blower motor 2004 resistor chrysler pacifica replace
ram 1998 fan dodge working switch blower motor dash side right 2009 under eric checked passenger
resistor sebring fan chrysler 2001 heater ac heat speed install control valve working blower motor dodge fix stratus convertible likely
pacifica chrysler blower motor 2006 resistor 2004 5l manual fits
blower chrysler pacifica 2004 motor heating caravan dodge tyc conditioning air 2007 grand hvac motors parts carid replacement
2004 chrysler pacifica blower motor not working 1
town country chrysler blower 2004 motor diagram heater rear control climate minivan module elderly friend cable battery box glove diagrams
blower motor resistor replacement replace 2001 chrysler town country technology
pacifica chrysler 2004
heater fan speed 2004 resistor replace pacifica chrysler wonderhowto blower motor isuzu located where wiring diagram maintenance ford
pacifica chrysler blower resistor rear 2004 2008
pacifica chrysler 2004 repair manual 2005
chrysler pacifica 2004 2008 engine signal obd rear turn 5l replacement v6 port check
town country blower chrysler 2008 fuse heater diagram 2002 working fan rear manual owners 2001 isnt power dodge ok does
pacifica chrysler 2005 fan module control
pacifica chrysler 2005 defrost does
chrysler pacifica 2005 fan
pacifica chrysler 2004 engine motor ride update cardomain follow
pacifica chrysler 2004 vacuum cylinder intake leak misfire 5l
pacifica chrysler 2004 problems manual repair owner
pacifica chrysler 2004 vehicle came parts
chrysler blower town country 2001 motor dodge 2008 caravan voyager pacifica resistor
pacifica chrysler 2004 brake replace job window wonderhowto power regulator rear maintenance tips door panel
pacifica chrysler module oem 2004 control blower mopar console motor power
chrysler diagram pacifica engine wiring ground 2007 2005 2004 starter lebaron wire 1995 suspension parts specs rear 2003
chrysler pacifica 2004 aspen engine awd 2005 test sessions ron rating
Front Blower Heater Motor w/ Fan Cage for Chrysler Town & Country Grand Caravan eBay
Ficha Técnica del Chrysler Cirrus LXi Sedan / saloon ensamblado en 1999 Precios Fichas
compressor steering power pulley chrysler caravan dodge pump pacifica parts grand number
chrysler pacifica 2004 bangshift far parting mainly glance study run away engine looks bitchin supremely dash seating clock six feature
wiper pacifica rear motor chrysler window module 2004
blower motor dodge caravan wiring 1996 town country chrysler 2001 schematic resistor
heater fan motor blower town country does cage
pacifica chrysler 2004 engine
chrysler sebring door blend console heat remove dash
heater chrysler 2004 core town country pedal brake van accelerator replace
blower rear odyssey honda motor heater ac resistor fan control replace install speed
pacifica chrysler 2004 doesn vent fixya
2004 chrysler pacifica blower motor not working 2
blower motor resistor dodge repair crown chrysler 2006 magnum harness town country automotive charger durango fits 2009 2001 lx module
chrysler pacifica 2004 5l filter 2008 fluid transmission v6 air
relay fan radiator chrysler cooling town country pacifica dodge caravan 2005 2001 switch 2002 van electrical module 2003 located replace
chrysler pacifica motor mount 2004 replacement
chrysler pacifica condenser replace remove
chrysler pacifica 5l conditioner bolts compressor v6 assembly 2004
controlable hvac 2004 system chrysler reply
Galeria LPG Chrysler Pacifica 3 5 V6 2004r Energy Gaz Polska Montaż Auto Gaz
pacifica chrysler heater 2004 climate control controls temperature 2008 fits
climate pacifica chrysler 2007 heater temperature 2004 2005 control 2008
blower chrysler works fan resistor fix
dodge evaporator stratus heater core ac case 2004 2009 change installation apart above procedure laid reverse course denlorstools
pacifica chrysler 2004 v6 2008 battery coolant fluid 5l transmission replace steering power replacement
m196 5l 8l pacifica chrysler trans 2004 mount motor engine
blower fan motor parts heating interior voyager aspen resistor pacifica heater chrysler fits
caravan town country blower dodge motor chrysler resistor grand fan 2007 wheel
chrysler sebring radiator replace
pacifica chrysler 2004 switch window 2008 side passenger
pacifica chrysler sunroof 2004 radio wipers windshield headlights working lot accessories
belt pacifica timing replacement chrysler 2004
pacifica 2005 manual chrysler repair 2004
chrysler pacifica hitch trailer 2008 curt installed receiver iii class custom etrailer 2004
chrysler diagram sebring cargurus heating check
chrysler jeep voyager heater dodge 2001 blower resistor town country problem
wiring trailer pacifica chrysler harness 2004 vehicle flat pole brakes 2005 surge etrailer boat connector factory without way custom
blower heater cage fan motor
blower heater jeep jumper motor harness module dodge