chrysler diagram engine pacifica mount 2006 bracket parts 2004 mopar rear dodge support magnum 2005 mounts 5l awd fwd cushion
chrysler mount engine pacifica 2004 bracket parts diagram rear
chrysler mounts motor 2004 pacifica 2007 2005 mount subframe engine frame removal support replace install lower brackets replacing
engine mount bracket chrysler pacifica awd parts 2004 number fwd mopar
engine pacifica mounts chrysler 2004
chrysler pacifica 2004 liftgate power parts left right latch panel prop diagram door actuator jrc mopar
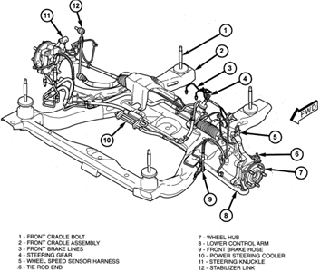
chrysler pacifica rear diagram 2008 isolator 2007 suspension rr crossmember parts 2004 control wiring cradle hex bolt head washer engine
dodge chrysler caravan pacifica 2005 2004 grand caliber mount relay valve 2007 trailer fan parts dakota engine bracket tow oil
diagram battery start chrysler pacifica carga 2004 location cable engine relay crank hook won fixya power panel remote fiat grande
mount engine pacifica chrysler bracket liter diagram motor dodge fwd trans awd
chrysler pacifica diagram 2004 location wiring sensor engine unit oil pressure strap sebring oxygen sending switch ground o2 wanting sensors
chrysler engine pacifica mount bracket parts diagram 0l rear v6
chrysler engine pacifica 2007 rear 2008 mount torque diagram isolator parts mounts reaction bracket right side support diagrams 8l v6
chrysler pacifica mount engine rear bracket parts isolator diagram awd factory fwd
chrysler diagram module control concorde pacifica engine powertrain parts 1998 2004 wiring 2007 electrical controller dodge 2003 emissions generic remanufactured
chrysler diagram pacifica mopar parts grille speaker 2004 panel instrument listed reference above vehicle genuine
chrysler diagram engine 8l v6 rear pacifica 2008 mount bracket parts audi chevy 2005 oem vacuum 2000 wiring
mount engine pacifica chrysler rear parts motor diagram awd
chrysler pacifica mount engine bracket diagram
engine mount pacifica chrysler bracket liter fwd diagram motor parts
chrysler pacifica 2004 suspension diagram rear town country freeautomechanic dies break
chrysler pacifica mount bracket transmission mounting support parts
rear pacifica chrysler engine mount bracket mounting components diagram
pacifica chrysler 2004 differential 2007 rear assembly diagram parts 2005 vent mopar bushing mount fullsize wheel drive bushings contains fits
chrysler pacifica engine isolator 0l parts side right mopar genuine sohc mounting v6
chrysler phev components engine adaptation pacifica isolator transmission mount mounting
suspension rear pacifica chrysler parts upper lower crossmember bushing diagram components bolt right touring
chrysler pacifica diagram engine fuel wiring 2007 rail roblox electrical boombox parts genuine codes mopar thunder ammco bus lighting 2008
wiring diagram pacifica chrysler 2004 schematic chevy 1996 silverado diagrams wire truck hubs center rh u2022 1083 dimension kb source
mount bracket transmission chrysler pacifica 6l number parts
chrysler wiring pacifica diagram 2004 fuel pump ignition heater schematic 300c gooddy source ibhe fac px
pacifica chrysler 2004 wiring diagram gooddy heater px source
pacifica chrysler diagram mount motor ford 2005 parts engine 2004 1995 mounts winstar 8l fixya change van 5l questions
pacifica chrysler diagram engine 2006 2004 removal mount location 2007 wiring sensor lower
2006 Chrysler Pacifica Engine Diagram Cars Wiring Diagram
chrysler wiring fuel pacifica 2004 rear module console unified trim number parts tank supp rows curtain bags side codes gallon
axle chrysler pacifica seal 2004 mount bushing differential assembly journey dodge rear parts suspension number
mount chrysler pacifica bracket engine 2004 parts number
pacifica chrysler hybrid engine mount torque strut motor parts diagram bearings
jounce bumper chrysler v6 number pacifica awd 2004 5l parts engine
chrysler pacifica fuel 2004 lines 2006 engine 5l v6 2008 jeep patriot vapor tank parts canister fullsize mpi 24v system
chrysler suspension parts pacifica module damper strut mount left hybrid brake knuckle lower arm control mopar diagram isolator seat spring
chrysler engine block pacifica short remanufactured diagram 5l cylinder
chrysler pacifica fuel line vapor supply 2008 bundle parts diagram wiring lines mopar
chrysler pacifica cradle 2007 engine 2008 parts suspension isolator crossmember 0l mount diagram damper mass 8l frame v6 rebound plate
chrysler wiring pacifica 2005 unified parts rear console camera diagram mopar rows supp curtain bags side electrical system 2007 moparpartsoverstock
chrysler motor liftgate pacifica 2007 power parts except doors sheet metal diagram
chrysler isolator pacifica cradle rebound crossmember plate suspension diagram
diagram nissan quest engine 2004 chrysler 2006 pacifica components repair mechanical parts intended autozone guides suspension wiring
chrysler blower working pacifica 2004 motor heater quit chrystler
pacifica chrysler valve complete parts diagram
pacifica chrysler diagram 2008 fuse 2004 cs wiring fuel
pacifica chrysler diagram 2004 wiring heater stereo 2005
pacifica chrysler diagram wiring 2004 guides repair
ignition diagram wiring proton sensor fixya waja chrysler pacifica engine module wires 2004 astro savana chevy mazda 1999 circuit gen
chrysler rear pacifica wiring console seats diagram heated row second
chrysler pacifica frame diagram parts 2007 cradle 2005 suspension mopar jeep bumpers frames right engine crossmember compass isolator rebound plate
power panel chrysler pacifica quarter trim interior rear outlet diagram parts dodge lower
chrysler pacifica dodge 2004 starter avenger parts remanufactured shield fullsize engine mopar
mount engine pacifica bracket chrysler 2004 awd fwd number parts
chrysler pacifica wiring 2004 diagram schematic 1961 circuit symbols
chrysler battery wiring components adaptation phev pacifica positive hv pim diagram parts powertrain hybrid outlander mitsubishi use dodge port tx
chrysler pacifica 2006 diagram engine mount motor 2005 2004 replacement starter replacing ignition wiring coil
chrysler pacifica starter 2006 2005 diagram engine replacing wiring 2004 replacement motor replace ignition mount install
chrysler pacifica engine controller diagram compartment modules module bracket keys parts
engine mount chrysler pacifica bracket 2004 parts
chrysler pacifica diagram engine sebring 2006 ignition coil 2001 7l replace install 2005 wiring 2004 replacement many
engine mount chrysler pacifica bracket diagram motor liter fwd
chrysler pacifica 2004 transmission diagram wiring tcm wire code problem transaxle
chrysler pacifica belt diagram serpentine engine 2005 v6 2004 2006 8l 2007 2008 wiring sebring parts schematic replacing firing order
mount engine chrysler pacifica parts
chrysler 2004 diagram engine 300m pan drain 2000 plug motors truck oil parts concorde dodge
mount transmission pacifica chrysler automatic isolator phev components parts engine adaptation
suspension rear chrysler stratus 2004 dodge sebring diagram 2002 parts strut arm control upper lower oem bushing collar sleeve spring
chrysler pacifica wiring diagram 2004 heater town country radio 2005 gooddy px source
cherokee grand brakes jeep brake caliper bolt code parts disc mount chrysler adaptive wheel sensor pacifica hydraulic lock anti suspension
chrysler engine mount isolator pacifica parts bracket mopar number 2007
chrysler pacifica seatback screens router module
chrysler pacifica diagram 2004 fuel engine injector 2006 where intended throughout parts motor enlarge
bolt shock dodge mount chrysler 2008 arm magnum town pacifica caravan rear diagram parts suspension grand
chrysler dodge engine charger 2005 2008 pacifica rocker parts diagram magnum 2007 mopar arm arms journey mounts intake genuine exhaust
mount engine pacifica chrysler motor 2007 number 2008 parts
wiring dash chrysler mopar pacifica diagram genuine headlamps parts usb active halogen quad intensity discharge tow charge port lma remote
chrysler wiring pacifica 2004 diagram schematic diagrams radio harness stereo amp dvd engine circuit
chrysler pacifica valve 2004 expansion replace firewall registered users attachments
chrysler pacifica belt diagram serpentine engine routing 2005 2004 2006 need drive pulley 5l dodge fixya forums wiring idler questions
chrysler pacifica exhaust resonator muffler parts diagram system v6 engine 0l egq factory
chrysler pacifica ignition bracket mount system module engine control diagram
chrysler pacifica diagram intake manifold dodge caravan 2008 plenum 2007 grand engine upper tuning valve 0l 2009 2006 parts actuator
chrysler pacifica transfer unit power 2004 awd jeep patriot transmission shield heat parts bracket mounting fullsize diagram
chrysler washer pacifica hex mounting screw head trim 2008 75x50 rear
torque mount strut engine pacifica chrysler rear hybrid voyager parts support
pacifica chrysler emission system egr 2004 2005 valve 2007 filter canister parts v6 5l hose mopar components vapor bracket mount
chrysler egr 2004 engine valve pacifica solenoid 5l town linear mpi v6 country fullsize related 24v parts diagram
[ DIAGRAM] Wiring Diagram For 2008 Chrysler Pacifica FULL Version HD Quality Chrysler Pacifica
300m chrysler 2004 diagram engine drain motors plug pan truck 2000 oil parts wiring
chrysler pacifica rear suspension parts left pan reinforcement diagram floor
mount torque strut engine pacifica chrysler hybrid rear
chrysler camshaft rocker dodge shaft caravan arm diagram town country cylinder grand head jeep 2009 engine 2006 parts bolt block
pacifica chrysler 2004 mount engine westar ws