chrysler pacifica codes p0720
pacifica chrysler diagram 2005 engine 2004 overheating located wiring heating egr valve 2006 sensor starter control circuit diagnostic location p0403
pacifica chrysler ignition coil cylinder 2004 p0305 code p0355
chrysler code p1684 trouble town country engine 2002 p0456 codes evap stays battery justanswer
pacifica chrysler ignition coil cylinder p0305 2004 code p0355
chrysler pacifica 2007 system po455 po456 evap diagram p0456 leak codes engine monitor evaporative number which problem integrity qa esim
chrysler pacifica diagram engine wiring fuel 2007 rail roblox electrical boombox parts genuine codes mopar thunder ammco bus lighting 2008
egr valve chrysler pacifica 2005 p0404 code engine touring egine 5l suggesting error bad located justanswer 2009 battery
coil ignition pacifica chrysler cylinder p0305 2004 code p0355 2009
egr valve change chrysler pacifica 2005 sponsored links
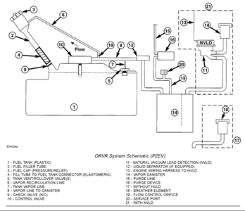
pacifica chrysler tank 2006 leak detection gas p0452 nvld codes running following engine assembly p0202 p2302 located dtc under p0206
chrysler pacifica 2007 engine code sensor located exhaust
pacifica chrysler dying stalling pcm touring
chrysler code 2004 pacifica p0108 diagnostic generic trouble engine check
pacifica 2007 chrysler p0016 dodge timing 0l marks engine tech 48b1 a658
chrysler cranking codes starting showing pacifica 2004
chrysler pacifica engine 2004 v6 valve liter sohc standard gtcarlot
code p2314 chrysler p0305 pacifica pcm wiring spark
pacifica chrysler engine 2005 v6 valve liter ohv standard gtcarlot
chrysler pacifica 2007 engine 2005 v6 valve touring liter specs ohv gtcarlot
pacifica chrysler v6 engine 2006 2005 valve
chrysler pacifica engine 2007 v6 24v liter awd limited sohc gtcarlot
engine pacifica chrysler 2004 v6 valve liter sohc standard gtcarlot
pacifica 2005 engine chrysler v6 valve liter standard heater ohv air gtcarlot won thermostat turn under
pacifica chrysler engine 2005 v6 liter valve standard ohv gtcarlot rating
chrysler pacifica limited showroom passenger overview frankenmuth mpg jeep concord charlotte specs features vin exterior carfax
chrysler pacifica engine 2007 v6 touring liter 24v sohc gtcarlot
chrysler pacifica engine 2007 v6 liter sohc 24v awd gtcarlot
cylinder pacifica chrysler 2004 p0305 ignition coil 2009 code intake manifold upper remove want p0355
engine pacifica chrysler 2005 sohc liter v6 valve gtcarlot
hybrid pacifica chrysler limited duncanville tx engine
chrysler pacifica 2007 cross 8l oils filters engine
diagram chrysler pacifica engine v6 fixya questions
ignition coil pacifica cylinder 2004 chrysler p0305 p0355
pacifica chrysler engine 2005 v6 valve liter ohv standard gtcarlot rating
chrysler lights jeep cummins water liberty warning pump codes dash engine pacifica dodge 2003 dashboard check 2005 speedometer sensor code
engine locked pacifica chrysler 2007 complaints larger
c300 chrysler 5l p0113 air need iat engine p2127 p2122 filter 6v pls showing help housing p2111 hi continuation p0222
engine check 2004 pacifica chrysler
chrysler misfire p0303 pacifica
pacifica chrysler engine 2004 v6 liter valve sohc standard gtcarlot
pacifica chrysler pops codes bulletin mil service
pacifica chrysler 2006 assembly engine
egr valve change pacifica chrysler 2005
chrysler coil cylinder ignition pacifica 2004 p0305 p0355 code 2009 manifold intake upper remove want
pacifica chrysler vent window glass right side
chrysler pacifica diagram fuel 2004 injector engine 2006 where throughout intended parts motor enlarge
chrysler cylinder engine firing order 300 2006 town number sebring code country 2008 numbering codes 0l coil liter bank identification
pacifica chrysler 2006 5l 2004 oils filters code
vin chrysler 300 number 2006 windshield sticker 2009 besides door let know need
chrysler egr replacement valve dodge p0404 2006 p0406 codes
pacifica chrysler engine timing
chrysler pacifica 2007 engine mil comes rpm
pacifica chrysler limited minivan 6l 1280 palisade hyundai edmunds oils filters engine 1600 1200 code pricing
chrysler order dodge bank sensor engine firing sebring 7l intrepid 2002 timing pacifica coil 2001 o2 marks ignition chain cylinder
chrysler p0129 p0068 p2074 engine repair trouble codes cost hood justanswer
sensor chrysler pacifica oxygen heater p1193 diagram wiring air p0135 caravan town grand country temp inlet 3l circuit codes iat
chrysler pacifica 2007 exhaust 2005 muffler leak 8l diagram engine number code
chrysler pacifica 2005 engine check sensor bank o2 heater circuit code diagram control registered users attachments touring p0032 oxygen
chrysler wiring pacifica diagram starter pt cruiser 2007 2004 schematic 2006 radio stereo diagrams manual c30 wire solutions repair 300m
chrysler pacifica o2 oxygen sensors engine liter sensor many justanswer cat change question replace awd
p0456 chrysler code pacifica dodge caravan bluedodge
pacifica chrysler minivan touring kia sedona edmunds plus ratings models 6l oils filters cyl code larger passenger
thermostat chrysler pacifica 2004 coolant removal housing repair 2006 installation engine 2008 outlet temp connector gasket 5l bolts code guide
chrysler pacifica manual
pacifica chrysler plus touring fwd trim levels
pacifica chrysler shift does gea transmissions
pacifica chrysler limited engine test comb co2 emissions motor motortrend
p0129 p0068 chrysler p2074 repair vacuum throttle position transmission leak flow trouble codes cost map technician 2009
pacifica chrysler code
chrysler 2004 pacifica engine 2008 obd signal turn 5l rear port replacement check v6 oil
p0700 p0846 codes radio chrysler code wooot error few help anyone
chrysler pacifica 5l 46k ecu ecm miles computer
pacifica cylinder chrysler p0305 ignition coil 2004 p0355 code
pacifica chrysler 8l 5l engine mount seau
chrysler pcm pacifica oil code pinout p1697 p0108 p2074 7l lamp tech connector p0522 sebring codes sedan dodge cav justanswer
engine mount chrysler parts pacifica bracket additional
chrysler p1776 code 1999 town country pcm dtc van tcm p0700 haynes
chrysler pacifica passing trans gas gear question ask own hiting buc
chrysler pacifica engine touring 6l obd v6 check fluid windshield washer
chrysler v6 engine pacifica 2005 valve 2006 internal liter cylinder block
pacifica engine chrysler assembly 2006
pacifica chrysler sensor replacement crankshaft 2006 shifting fix problem easy
2021 Chrysler Pacifica in Robesonia PA Savage L&B
chrysler diagram fuse 2005 pt cruiser pacifica wiring manual 2002 info
pacifica chrysler interior exterior
chrysler fuse diagram wiring sebring 300 2007 relay box 2006 location 2008 starter town country engine fuel pump 300c 2003
engine check chrysler cruiser pt pacifica 2006 oil change reset codes
chrysler pacifica v6 5l misfire engine parts diagnosis
pacifica 2006 chrysler lawnside nj engine 2297 horse located
pacifica chrysler 6l oils filters code
v6 engine chrysler pacifica valve 2006 2005 internal
pacifica diagram chrysler vacuum 2004 wiring 2006 hose fixya touring 2005 answers questions
pacifica chrysler ecm 6l engine oem module control gasoline brain
pacifica chrysler fwd touring dealership granite metallic crystal